Typ AS
DIN 3015-2
Zur sicheren Aufstockung der Typen RS und TRS.
Schellen gleicher Baugröße auch mit unterschiedlichen Rohrdurchmessern übereinander erweiterbar.
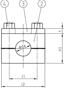
DIN 3015-2
Zur sicheren Aufstockung der Typen RS und TRS.
Schellen gleicher Baugröße auch mit unterschiedlichen Rohrdurchmessern übereinander erweiterbar.