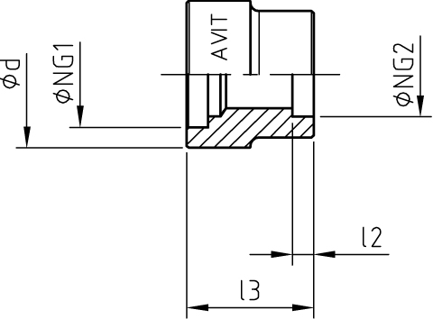
Typ SM
AVIT
Die in dieser Tabelle aufgeführten Schweißmuffen sind zur Verbindung von nahtlosen Präzisionsstahlrohren vorgesehen und entsprechend toleriert.
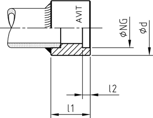
AVIT
Die in dieser Tabelle aufgeführten Schweißmuffen sind zur Verbindung von nahtlosen Präzisionsstahlrohren vorgesehen und entsprechend toleriert.