Typ STS
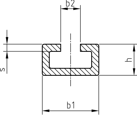
DIN 3015-2
Bis zur Rohrschellengröße 6 ist eine Montage auf Tragschienen mittels Tragschienenmutter möglich.
Lieferlängen: 1m (STS 1) oder 2m (STS 2).
DIN 3015-2
Bis zur Rohrschellengröße 6 ist eine Montage auf Tragschienen mittels Tragschienenmutter möglich.
Lieferlängen: 1m (STS 1) oder 2m (STS 2).